
东莞电磁铁厂家--磁心科技研发生产方形推拉电磁铁、圆形推拉电磁铁、异形推拉电磁铁等,根据市场和客户的需要我们不断的研发新产品。其中U1040推拉式电磁铁做工精致,体积小,行程和力量都适中。市场运用非常广泛,涉及自动化设备、家用电器、汽车配件、纺织机械等产品。产品具体参数如下:
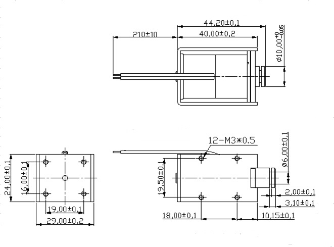
一,U1040推拉式电磁铁尺寸图:
1,推式尺寸图:

2,拉式尺寸图:

二、U1040推拉式电磁铁行程和力量曲线图:

图解:1,上图描述的是推拉式电磁铁的行程和力量曲线图
横向:代表 单位为毫米(mm)
纵向:代表电磁铁在对应行程时的力量 单位为克(g)
2,图中四条线分别代表四种功率以及相应的通电频率。
三、U1040推拉式电磁铁通电时间和温升曲线图:

四、U1040推拉电磁铁其它参数:
1,行程和力量:行程曲线图中有详细的产品行程和对应的力量以及功率。
2,电压:一般采用DC12V、24V,其它电压请告知我们定制。
3,寿命:典型值为100万次以上。
4,最大行程:12mm,最大力:在5mm行程时可以达到1.5KG.
5,弹簧的弹力:根据的客户需求而定,如果没要求我们会按照产品力量最优化设计弹簧弹力。
6,顶杆和滑竿跟外部的链接方式:


备注:如果上述产品和您使用的产品有出入,请您致电我们,我们会根据客户的不同需求设计各种推拉式电磁铁。磁心科技以技术为核心竞争力,我们有一支从事电磁铁10多年的工程师。欢迎您致电我们,磁心科技---用心服务。