旭彩网

电话:0769-87320500 传真:0769-87320500
新闻内容

KY0730单保持电磁铁

[日期:2014-07-14] 来源:  作者: [字体: ]

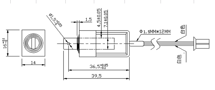
一:单保持电磁铁KY0730 尺寸图如下: 30*16*14

二、单保持电磁铁的原理:保持式电磁铁是有电磁铁线圈、永磁铁、铁芯、轭铁等组成,具有单向保持的功能,电磁铁在静止状态下是靠永磁特的磁力保持在一个位置,当电磁铁通正向电时,线圈产生磁场把电磁铁铁芯弹出(有弹簧保持在另外一个位置),再给电磁铁通方向电,电磁铁线圈产生磁场把铁芯吸到原来的位置。

 

三、单向保持式电磁铁功能:可以长时间断电(省电、环保、节能),具有保持力和推拉力可以满足客户的自动化的需求。